ホーム
SDGsへの取り組み
製品紹介
会社案内
会社概要
社長挨拶
会社沿革
事業所・店舗情報
リクルート
プライバシポリシー
お問い合わせ
HOME
商品紹介
地中線
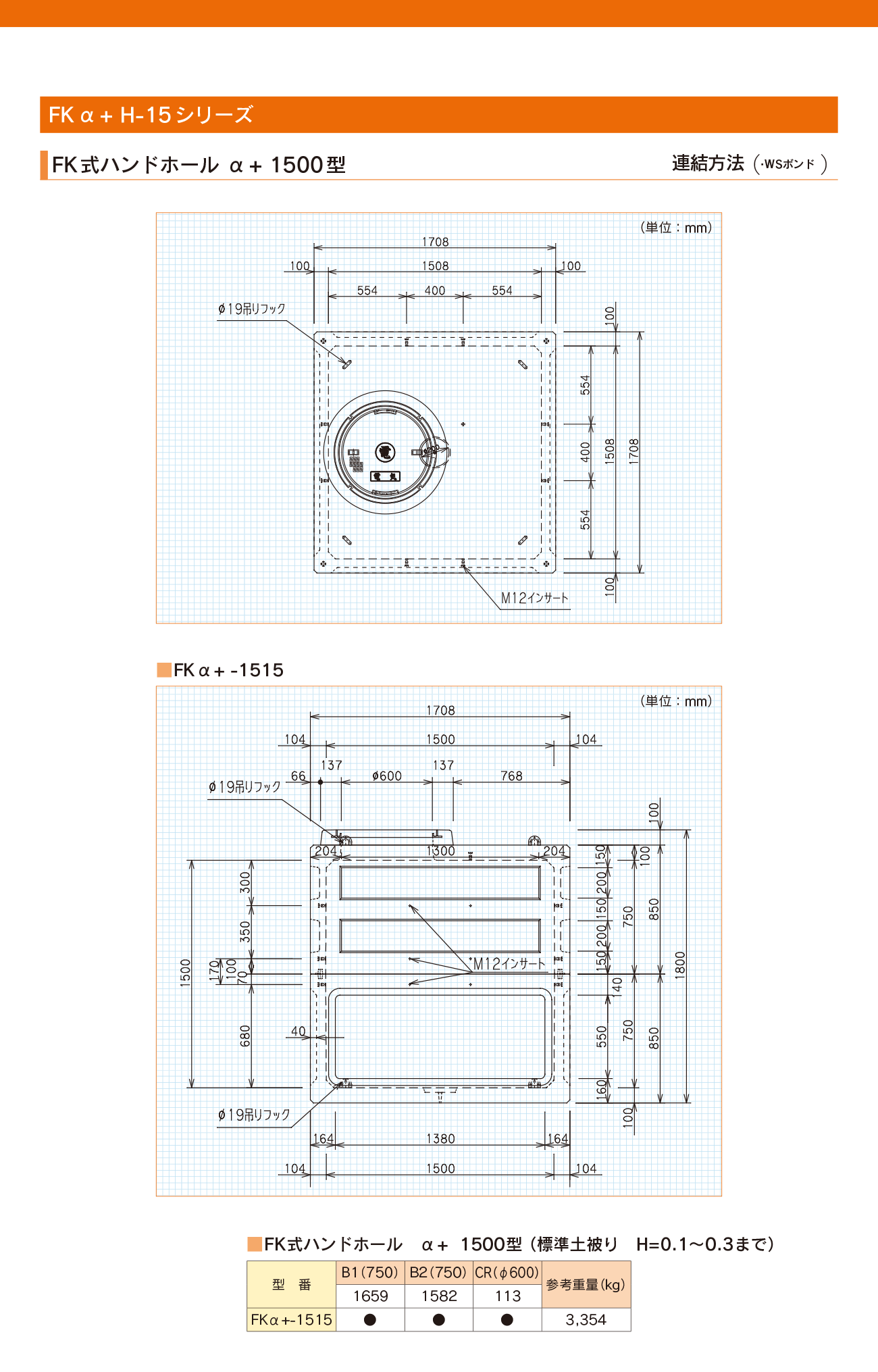
FK 式ハンドホールα+
地中線
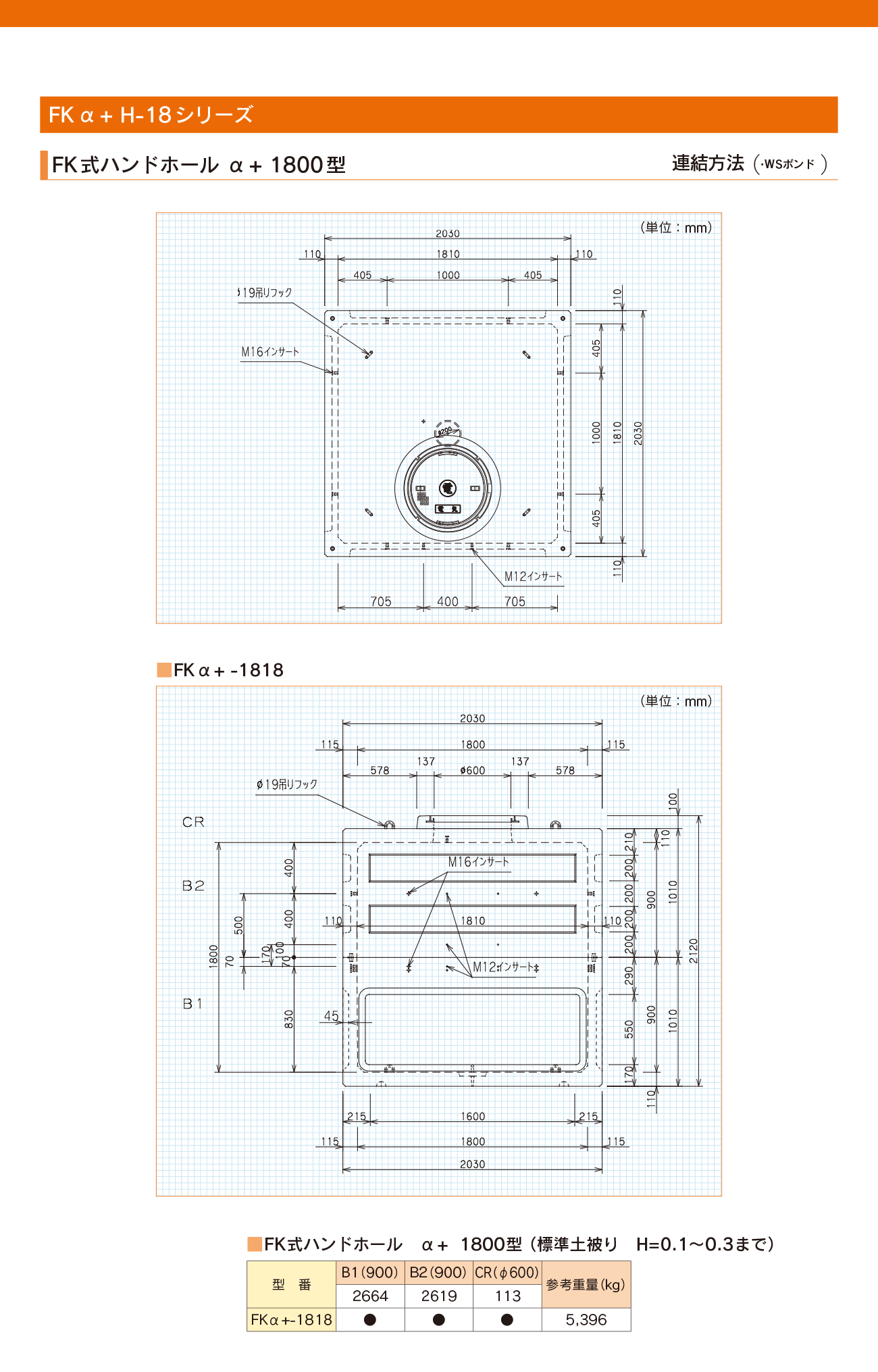
FK 式ハンドホールα+
カタログ(PDF)>>
CADデータ/資料請求はコチラ
カテゴリーカタログ(PDF)はコチラ
全商品掲載カタログ(PDF)はコチラ
地中線カタログ(PDF)のダウンロード
×
カタログのPDFデータ容量は、約 30MB あります。
全商品カタログ(PDF)のダウンロード
×
全商品カタログのPDFデータ容量は、約179MBあります。
製品カテゴリ
擁 壁
河川・環境
道 路
水 路
防 火 水 槽
上 下 水 道
張 出
地中線
太陽光関連
防災・減災・復旧
工法・その他